
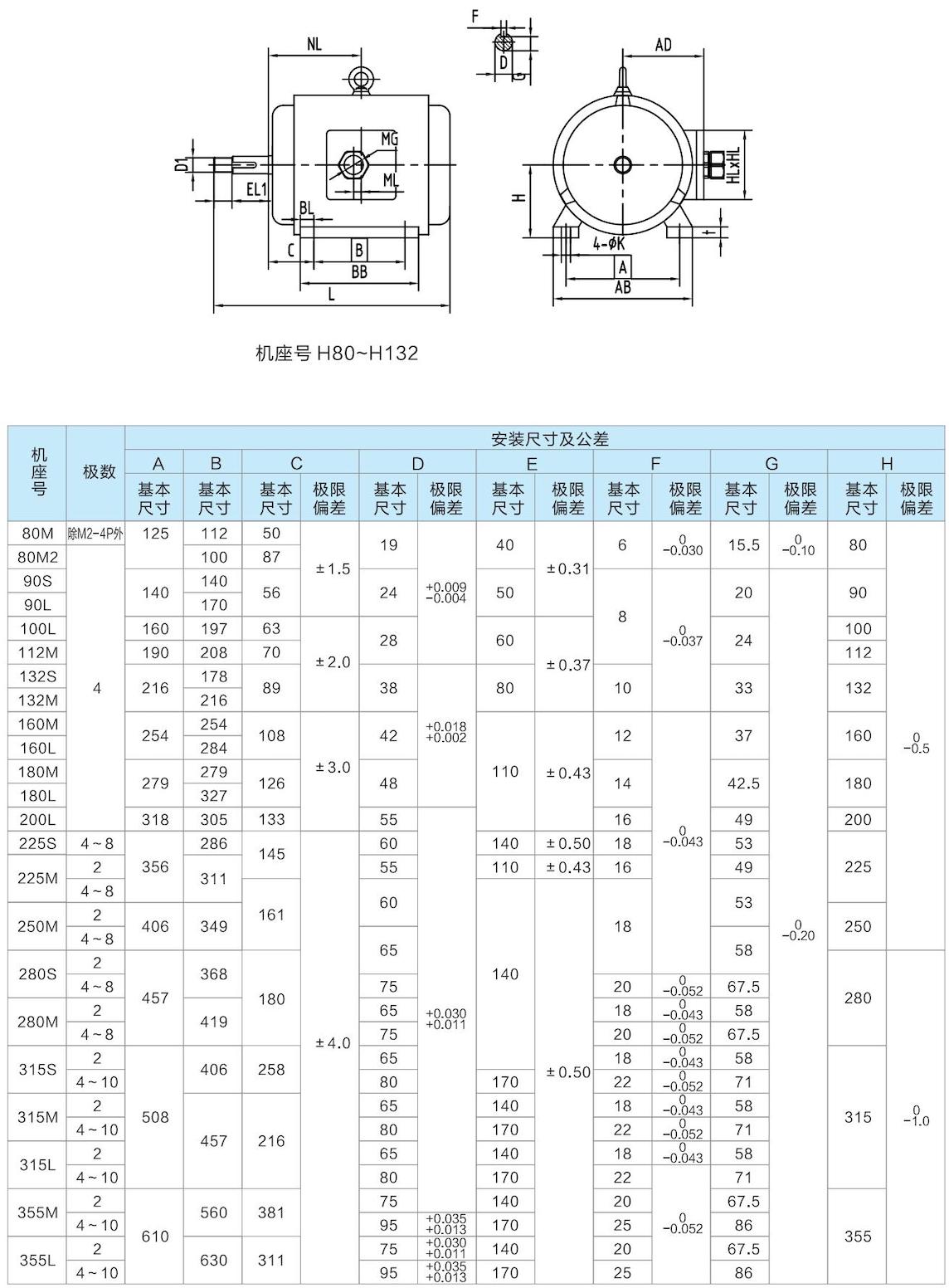
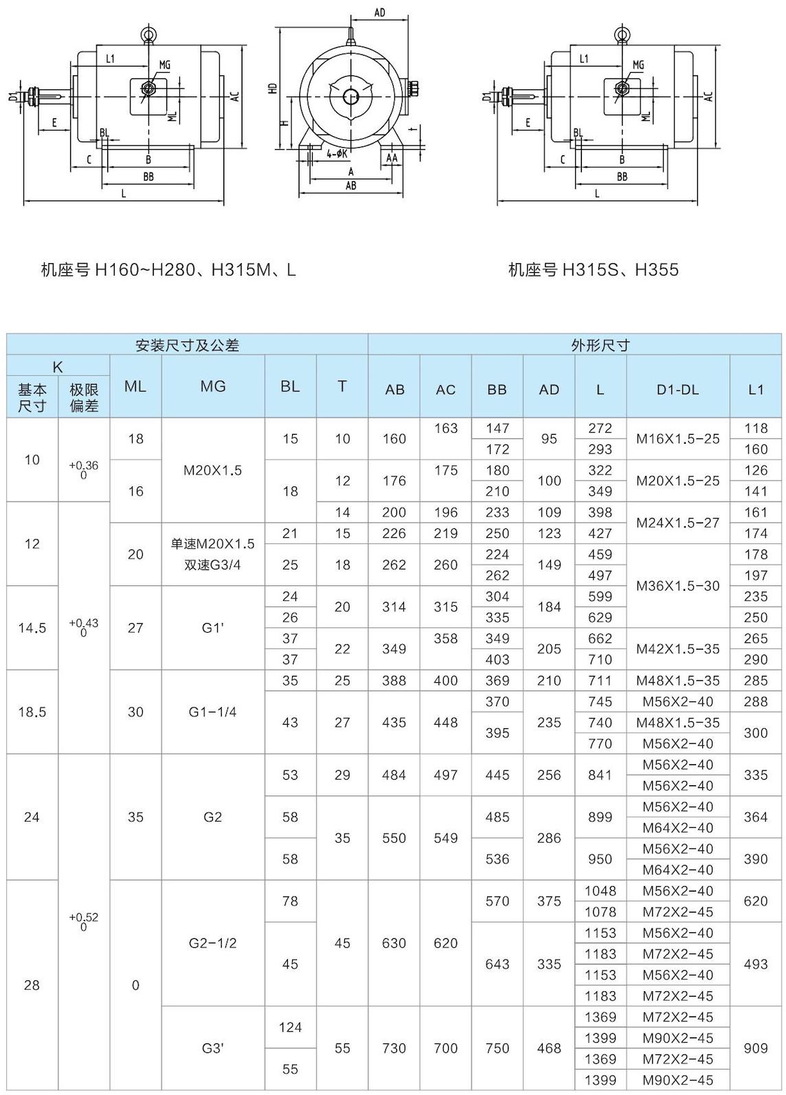
高温消防风机风机用三相异步电念头是由我公司自主研发的一款全关闭的单速电念头。。。。。。。。电机设计理念先进,,,,,,,充分思量到排烟风机负载的特征,,,,,,,具有结构紧凑、能效高、噪声低、振动小、运转平稳可靠、使用寿命长等特点。。。。。。。。电机依赖负载端的风机运行爆发的风举行冷却,,,,,,,结构相关于通俗电机而言越发紧凑,,,,,,,大大节约了装置空间,,,,,,,为风机设计紧凑的结构提供了有力的支持。。。。。。。。
凭证消防排烟情形的需要,,,,,,,举行耐高温设计的电机,,,,,,,其性能知足《CA211-1999 消防排烟风机耐高温试验要领》中对电机的各项要求,,,,,,,能在300摄氏度情形温度下正常运行2小时,,,,,,,知足消防排烟对电机的要求,,,,,,,抵达国际先进水平。。。。。。。。
电念头电机效率切合GB18613-2020标准中3级能效要求,,,,,,,且能知足IEC60034-30标淮中的IE3效率品级。。。。。。。。


